|
H44N旋啟式止回閥,閥瓣利用流體壓差和自身重力實現旋轉運動,流阻系數小,適用于大多部分的貯罐區(qū)垂直管路上,自動阻止截止逆流,保證上游設備。
一、主要設計參數
設計、制造:GB/T12236-89 法蘭連接:JB/T79-94、GB9113-2000 結構長度:GB12221-89 公稱通徑:DN25~DN200mm 公稱壓力:PN2.5、4.0MP。

二、主要性能參數
|
公稱壓力 |
試驗壓力 |
適用介質 |
適宜溫度 |
|
殼體 |
密封 |
|
2.5 |
3.75 |
2.75 |
液化石油氣 |
-40~+80℃ |
|
4.0 |
6.0 |
4.4 |
三、主要零件材料
|
零件名稱 |
閥體、閥蓋 |
密封面與閥瓣 |
|
材料 |
碳鋼 |
不銹鋼和尼龍1010 |
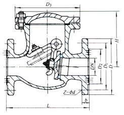
四、主要尺寸及重量
|
公稱通徑
DN(mm) |
H41N-25型主要尺寸(mm) |
重量 (kg) |
|
L |
D |
D1 |
D2 |
b |
f |
Z-фd |
H |
D3 |
|
25 |
160 |
115 |
85 |
65 |
16 |
2 |
4-14 |
120 |
92 |
10 |
|
32 |
190 |
135 |
100 |
78 |
18 |
3 |
4-18 |
135 |
120 |
12 |
|
40 |
200 |
145 |
110 |
85 |
18 |
3 |
4-18 |
145 |
135 |
15 |
|
50 |
230 |
160 |
125 |
100 |
20 |
3 |
4-18 |
155 |
150 |
20 |
|
80 |
310 |
195 |
160 |
135 |
22 |
3 |
8-18 |
185 |
200 |
36 |
|
100 |
350 |
230 |
190 |
160 |
24 |
3 |
8-23 |
210 |
270 |
55 |
|
125 |
400 |
270 |
220 |
188 |
28 |
3 |
8-25 |
245 |
310 |
70 |
|
150 |
480 |
300 |
250 |
218 |
30 |
3 |
8-25 |
276 |
375 |
105 |
|
200 |
600 |
360 |
320 |
280 |
32 |
3 |
12-25 |
330 |
- |
170 | |